发布时间:2016-11-7 9:10:07 作者:拓普电气 浏览量:7972 【字体:
大 中 小】
测试发电机的转子绕组交流阻抗和功率损耗是判断转子绕组是否有匝间短路的一种方法,在《电力设备交接试验规程》(以下简称《交规》)和《电力设备预防性试验规程》(以下简称《预规》)中都有规定,当有匝间短路时,交流阻抗将减小,功率损耗将增加。
一、测量方法
1.选择合适的测量仪,包括电压表、电流表、功率表。使用调压器进行调压。
2.测量前,应用调压器升降压多次,以消除转子剩磁的影响。
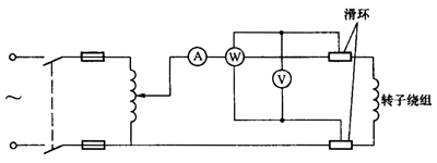
3.每次试验应在相同条件下进行,试验电压峰值不超过额定励磁电压。试验接线如图1-1所示。

图1-1 转子绕组交流阻抗试验接线
4.隐极式转子应在膛外及膛内在不同转速下测量;显极式转子应在膛外对每个转子绕组测量。
5.在相同试验条件下与历年数值比,不应有显著变化。
6.在转动情况下测量时,引线要用带有绝缘手柄的铜刷与转子滑环相接触。
二、实例说明
1.实例1-1 测试结果在测量误差范围内
某电厂125MW双水内冷发电机,QFS-125-2型,额定励磁电压为265V,额定励磁电流为1650A,转速为3000r/min。在交接试验时进行了转子交流阻抗和损耗的测试。测试数据见表1-1,将测试数据与出厂数据(见表1-2)作比较,得出结果是:在测量差范围内无显著变化。

2.实例1-2 交流阻抗减小,有匝间短路征兆
某电厂100MW发电机,SQF-100-2型,双水内冷,转子电压245V,转子电流为1398A,转速为3000r/min。该发电机1982年投产,在1988年大修中发现交流阻抗静态值减小,而随转速的升高又逐渐正常。针对此情况决定进行动态交流阻抗跟踪测试,其结果见表1-3。

从表1-3中可见,1994年测得的电流及交流损耗分别比1984年的增加了20.30%及23.12%,而交流阻抗却下降了20.33%。再测直流电阻1994年比1984年也下降了3.26%。故初步认定该转子绕组存在匝间短路征兆。对不同转速下的交流阻抗数据(见表1-4)进行分析,可以看出其匝间短路是动态的。即低转速时有匝间短路,随着转速升高逐渐好转,到3000r/min时基本消失。根据其运行情况振动值未超标,说明在静态和低转速下有轻度匝间短路,决定加强监视,停机检修时进行检测。

此外,应配合用功率表相量投影法试验,也发现有匝间短路现象。
三、实例说明
1.实例1-3 交流阻抗不随转速而变化一一稳定性短路
某厂一台300MW发电机,在1988年7月发电机大修时,做转子的常规预防性试验,发现转子交流阻抗及功率损耗分别为2.19Ω及12640W,较1979年试验结果分别减少和增长了-20.4%和+30.0%。转子直流电阻也下降了3.1%。初步认定发电机转子绕组存在匝间短路现象,但尚未下定论,在1988~1990年间,缩短试验周期进行测试,其结果见表1-5及表1-6。

从表1-5及表1-6中可见,1979~1989年间,交流阻抗是逐年减少,而损耗却逐年增加;在不同转速下的交流阻抗随转速的变化不大,说明转子绕组短路为稳定性短路。
信息整理:扬州拓普电气科技有限公司 信息来源:
www.yztpdq.com