发布时间:2016-11-10 9:34:42 浏览量:4779 【字体:
大 中 小】
TPHGC-B变频式互感器综合测试仪用于CT测试的基本接线步骤(参见图1-1)如下:
1)用4mm2线将测试仪左侧的接地端子连接到保护地。
2)连接CT一次侧的一个端子和二次侧的一个端子到保护地。
3)确保CT的其他端子全部从输电线上断开,其他绕组全部开路。
4)用2.5mm2红线和黑线将CT的二次侧连接到TPHGC-B变频式互感器综合测试仪“Output”S1和S2插孔,用1.2mm2黄线和黑线将CT的二次侧连接到TPHGC-B变频式互感器综合测试仪“Sec”的S1和S2插孔,注意两根黑线连在CT二次侧已接保护地的同一端子上。
(5)用1.2mm2绿线和黑线将CT的一次侧连接到TPHGC-B变频式互感器综合测试仪的“Prim”的P1和P2端子上,P2通过黑线与CT一次侧连接到保护地的那个端子相连。
(6)检查接线无误,开始测试。

图1-1 典型接线方式
1.TPHGC-B变频式互感器综合测试仪在三角形接法变压器上进行CT测试的接线方式如图1-2所示。

图1-2 TPHGC-B变频式互感器综合测试仪在三角形接法变压器上进行测试时的接线方式
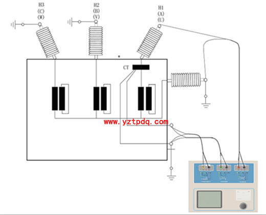
2.TPHGC-B变频式互感器综合测试仪进行变压器套管CT测试时的接线方式如图1-3所示。
注意:一次端子H1不能接地,否则一次侧都接地了,则测试仪不能获取正确结果。

图1-3 TPHGC-B变频式互感器综合测试仪对变压器上套管CT进行测试时的接线方式
3.TPHGC-B变频式互感器综合测试仪在对GIS(SF6)开关上的CT测试时的接线方式如图1-4所示。
注意:断开与母线连接的所有开关,合上接地刀闸。

图1-4 TPHGC-B变频式互感器综合测试仪对GIS(SF6)开关上的CT测试时的接线方式
信息整理:扬州拓普电气科技有限公司 信息来源:www.yztpdq.com