发布时间:2017-3-1 8:51:54 作者:拓普电气 来源:本站 浏览量:3642 【字体:
大 中 小】
随着科技的进步,高压电源在越来越多的领域得到应用。“高压电源”这个名词是依据其输出电压来定义的。直流高压电源所涉及的领域其实非常宽广,大到电力系统的直流高压输变电系统,小到家用的电蚊拍,都可以算是这个领域里的东西。在这里我主要想说说的是属于电子电源领域的高压电源。这个领域的高压电源,主要的应用有:医疗安检无损检测领域应用的X光系统、一些粒子加速器系统、工业烟气除尘、耐压测试仪表、静电装置、气体激光器等。
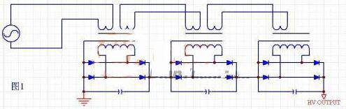
高压电源最主要的技术特点,就是在于输出电压很高。高的输出电压对很多方面提出了特别的要求——元器件耐压的要求、结构设计的要求、绝缘材料的要求等。与此同时,电路结构上也有异于通常的结构。通常对于输出10KV以下的电源,可以直接采用传统的各种拓扑结构。但是对于电压更高的电源,就要对电路结构作一些修改,以满足更高电压的输出。由于变压器初级部分的功率器件的耐压限制,一般驱动部分依然是传统的开关电源拓扑,对电路结构的修改,主要是集中在变压器以及后面的整流电路上。下面主要对这两部分进行讨论。
这种方式的电路示意图如下图所示。特点是,次级的每个绕组对初级的升压比不是很高。优点是:适合较大功率输出。变压器数量少,只需要一副磁芯。缺点是:高压端的绕组对磁芯的电压差很大,绝缘不容易处理。次级绕组如果对磁芯或初级结构不一致,那么漏感会不一致,导致绕组间存在差异。如果保持结构一致,则全部次级都必须按照最高绝缘要求来设计,那么变压器的窗口利用率会大大下降。

信息整理:扬州拓普电气科技有限公司 信息来源:
www.yztpdq.com